Zum Hauptinhalt springen

Präzisions-Rollenketten mit geraden Laschen

Für den Einsatz in Kettenfördern für den Transport von Paletten etc.

Rollenketten mit geraden Laschen

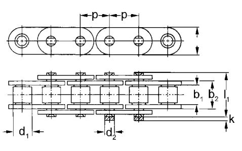
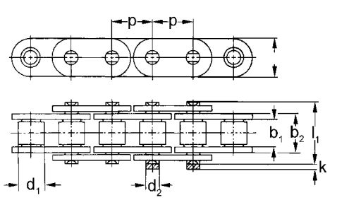
Simplex-Präzisions-Rollenkette mit geraden Laschen
Type
(DIN, ISO, ANSI)
Teilung
p

inch

b1

b2

d1

d2

g

k

l1/l2/l3
Gelenkfläche
f [cm2]
Bruchlast
FB [N]

Gewicht
q [kg/m]

06 B-1 GL 9,525 3⁄8 5,72 8,53 6,35 3,28 8,2 1,3 13,5 0,28 8’900 0,41
06 B-2 GL 9,525 3⁄8 5,72 8,53 6,35 3,28 8,2 1,3 23,8 0,55 16’900 0,78
06 B-3 GL 9,525 3⁄8 5,72 8,53 6,35 3,28 8,2 1,3 34,0 0,84 24’900 1,18
08 B-1 GL 12,7 1⁄2 7,75 11,30 8,51 4,45 11,8 1,6 17,0 0,50 18’000 0,78
08 B-2 GL 12,7 1⁄2 7,75 11,30 8,51 4,45 11,8 1,6 31,0 1,01 32’000 1,36
10 B-1 GL 15,875 5⁄8 9,65 13,28 10,16 5,08 14,7 2,0 19,6 0,67 22’400 1,03
10 B-2 GL 15,875 5⁄8 9,65 13,28 10,16 5,08 14,7 2,0 36,2 1,34 44’500 1,93
12 B-1 GL 19,05 3⁄4 11,68 15,62 12,07 5,72 16,1 2,3 22,7 0,89 29’000 1,29
12 B-2 GL 19,05 3⁄4 11,68 15,62 12,07 5,72 16,1 2,3 42,2 1,79 57’800 2,55
12 A-1 GL 19,05 3⁄4 12,57 17,70 11,91 5,94 18,0 2,5 26,9 1,05 31’800 1,70
16 B-1 GL 24 25,4 1 17,02 25,40 15,88 8,28 24,0 2,8 36,1 2,10 60’000 3,40
16 B-1 GL 21 25,4 1 17,02 25,40 15,88 8,28 21,0 2,8 36,1 2,10 60’000 3,29
20 B-1 GL 31,75 1 1⁄4 19,56 29,01 19,05 10,19 26,4 4,0 43,2 2,95 95’000 4,13
24 B-1 GL 38,1 1 1⁄2 25,40 37,92 25,40 14,63 33,0 6,0 53,4 5,54 160’000 7,34

In vernickelter oder rostfreier Ausführung auf Anfrage.
Mit Sonderschmierung auf Anfrage.
Duplex- und Triplex-Ausführungen auf Anfrage.