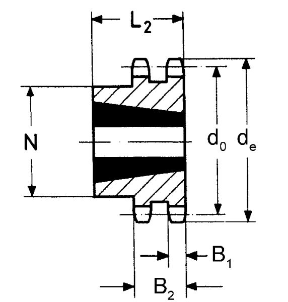
Kettenräder mit Taper-Spannbuchse
Kettenräder mit Taper-Spannbuchse zu Rollenkette
Type A

Type B

| Simplex | Duplex | ||||||||||||
| Z | d0 | de | N | L1 | B1 | Buchse | Type | N | L2 | B1 | B2 | Buchse | Type |
| 17 | 51,83 | 55,3 | 45 | 22 | 5,3 | 1008 | A | 42 | 22 | 5,2 | 15,4 | 1008 | B |
| 18 | 54,85 | 58,3 | 43 | 22 | 5,3 | 1008 | A | 43 | 22 | 5,2 | 15,4 | 1008 | B |
| 19 | 57,87 | 61,3 | 46 | 22 | 5,3 | 1008 | A | 46 | 22 | 5,2 | 15,4 | 1008 | B |
| 20 | 60,89 | 64,3 | 46 | 22 | 5,3 | 1008 | A | 48 | 22 | 5,2 | 15,4 | 1008 | B |
| 21 | 63,91 | 68,0 | 46 | 22 | 5,3 | 1008 | A | 49 | 22 | 5,2 | 15,4 | 1008 | B |
| 22 | 66,93 | 71,0 | 50 | 22 | 5,3 | 1108 | A | 52 | 22 | 5,2 | 15,4 | 1108 | B |
| 23 | 69,95 | 73,5 | 63 | 25 | 5,3 | 1210 | A | 58 | 25 | 5,2 | 15,4 | 1210 | B |
| 24 | 72,97 | 77,0 | 63 | 25 | 5,3 | 1210 | A | 61 | 25 | 5,2 | 15,4 | 1210 | B |
| 25 | 76,00 | 80,0 | 63 | 25 | 5,3 | 1210 | A | 64 | 25 | 5,2 | 15,4 | 1210 | B |
| 26 | 79,02 | 83,0 | 63 | 25 | 5,3 | 1210 | A | 65 | 25 | 5,2 | 15,4 | 1210 | B |
| 27 | 82,05 | 86,0 | 63 | 25 | 5,3 | 1210 | A | 65 | 25 | 5,2 | 15,4 | 1210 | B |
| 28 | 85,07 | 89,0 | 63 | 25 | 5,3 | 1210 | A | 65 | 25 | 5,2 | 15,4 | 1210 | B |
| 30 | 91,12 | 94,7 | 63 | 25 | 5,3 | 1210 | A | 65 | 25 | 5,2 | 15,4 | 1210 | B |
| 38 | 115,35 | 119,5 | 73 | 25 | 5,3 | 1210 | A | 76 | 25 | 5,2 | 15,4 | 1610 | B |
| 45 | 136,55 | 140,7 | 73 | 25 | 5,3 | 1210 | A | 89 | 25 | 5,2 | 15,4 | 1610 | B |
| 57 | 172,91 | 176,9 | 70 | 25 | 5,3 | 1210 | A | 80 | 25 | 5,2 | 15,4 | 1610 | B |
| 76 | 230,49 | 234,9 | 70 | 25 | 5,3 | 1210 | A | 80 | 25 | 5,2 | 15,4 | 1610 | B |
| 95 | 288,08 | 292,5 | 80 | 25 | 5,3 | 1210 | A | 90 | 25 | 5,2 | 15,4 | 1610 | B |
| 114 | 345,68 | 349,5 | 80 | 38 | 5,3 | 1215 | A | 95 | 38 | 5,2 | 15,4 | 1615 | B |
Material: C45
Weitere Zähnezahlen auf Anfrage.
Kettenräder mit gehärteten Zähnen auf Anfrage.
Kettenräder mit zahnkranzseitiger Buchseneinführung auf Anfrage.
Triplex- Kettenräder auf Anfrage.
Kettenräder mit Taper-Spannbuchse zu Rollenkette
Type A

Type B

| Simplex | Duplex | ||||||||||||
| Z | d0 | de | N | L1 | B1 | Buchse | Type | N | L2 | B1 | B2 | Buchse | Type |
| 15 | 61,09 | 65,5 | 46 | 22 | 7,2 | 1008 | A | 46 | 22 | 7,0 | 21,0 | 1008 | B |
| 16 | 65,10 | 69,5 | 50 | 22 | 7,2 | 1108 | A | 50 | 22 | 7,0 | 21,0 | 1108 | B |
| 17 | 69,11 | 73,6 | 60 | 25 | 7,2 | 1210 | A | 56 | 25 | 7,0 | 21,0 | 1210 | B |
| 18 | 73,14 | 77,8 | 60 | 25 | 7,2 | 1210 | A | 58 | 25 | 7,0 | 21,0 | 1210 | B |
| 19 | 77,16 | 81,7 | 63 | 25 | 7,2 | 1210 | A | 64 | 25 | 7,0 | 21,0 | 1210 | B |
| 20 | 81,19 | 85,8 | 71 | 25 | 7,2 | 1610 | A | 66 | 25 | 7,0 | 21,0 | 1610 | B |
| 21 | 85,22 | 89,7 | 71 | 25 | 7,2 | 1610 | A | 71 | 25 | 7,0 | 21,0 | 1610 | B |
| 22 | 89,24 | 93,8 | 71 | 25 | 7,2 | 1610 | A | 76 | 25 | 7,0 | 21,0 | 1610 | B |
| 23 | 93,27 | 98,2 | 76 | 25 | 7,2 | 1610 | A | 79 | 25 | 7,0 | 21,0 | 1610 | B |
| 24 | 97,29 | 101,8 | 76 | 25 | 7,2 | 1610 | A | 84 | 32 | 7,0 | 21,0 | 2012 | B |
| 25 | 101,33 | 105,8 | 76 | 25 | 7,2 | 1610 | A | 87 | 32 | 7,0 | 21,0 | 2012 | B |
| 26 | 105,36 | 110,0 | 76 | 25 | 7,2 | 1610 | A | 87 | 32 | 7,0 | 21,0 | 2012 | B |
| 27 | 109,40 | 114,4 | 76 | 25 | 7,2 | 1610 | A | 87 | 32 | 7,0 | 21,0 | 2012 | B |
| 28 | 113,42 | 118,0 | 90 | 32 | 7,2 | 2012 | A | 87 | 32 | 7,0 | 21,0 | 2012 | B |
| 30 | 121,50 | 126,1 | 90 | 32 | 7,2 | 2012 | A | 87 | 32 | 7,0 | 21,0 | 2012 | B |
| 38 | 153,80 | 158.6 | 102 | 32 | 7,2 | 2012 | A | 102 | 32 | 7,0 | 21,0 | 2012 | B |
| 45 | 182,07 | 188,0 | 102 | 32 | 7,2 | 2012 | A | 111 | 32 | 7,0 | 21,0 | 2012 | B |
| 57 | 230,54 | 236,4 | 100 | 32 | 7,2 | 2012 | A | 100 | 32 | 7,0 | 21,0 | 2012 | B |
| 76 | 307,33 | 313,3 | 100 | 32 | 7,2 | 2012 | A | 100 | 32 | 7,0 | 21,0 | 2012 | B |
| 95 | 384,11 | 390,1 | 100 | 32 | 7,2 | 2012 | A | 100 | 32 | 7,0 | 21,0 | 2012 | B |
| 114 | 460,90 | 466,9 | 110 | 45 | 7,2 | 2517 | A | 110 | 45 | 7,0 | 21,0 | 2517 | B |
Material: C45
Weitere Zähnezahlen auf Anfrage.
Kettenräder mit gehärteten Zähnen auf Anfrage.
Kettenräder mit zahnkranzseitiger Buchseneinführung auf Anfrage.
Triplex- Kettenräder auf Anfrage.
Kettenräder mit Taper-Spannbuchse zu Rollenkette
Type A

Type B

Type C

| Simplex | Duplex | ||||||||||||
| Z | d0 | de | N | L1 | B1 | Buchse | Type | N | L2 | B1 | B2 | Buchse | Type |
| 13 | 66,32 | 73,0 | 46 | 22 | 9,1 | 1008 | A | - | - | 9,0 | 25,5 | 1108 | C |
| 14 | 71,34 | 78,0 | 52 | 22 | 9,1 | 1108 | A | ||||||
| 15 | 76,35 | 83,0 | 63 | 25 | 9,1 | 1210 | A | - | - | 9,0 | 25,5 | 1210 | C |
| 16 | 81,37 | 88,0 | 70 | 25 | 9,1 | 1610 | A | - | - | 9,0 | 25,5 | 1610 | C |
| 17 | 86,39 | 93,0 | 71 | 25 | 9,1 | 1610 | A | - | - | 9,0 | 25,5 | 1610 | C |
| 18 | 91,42 | 98,3 | 75 | 25 | 9,1 | 1610 | A | - | - | 9,0 | 25,5 | 1610 | C |
| 19 | 96,45 | 103,3 | 75 | 25 | 9,1 | 1610 | A | - | - | 9,0 | 25,5 | 1610 | C |
| 20 | 101,49 | 108,4 | 75 | 25 | 9,1 | 1610 | A | - | - | 9,0 | 25,5 | 1610 | C |
| 21 | 106,52 | 113,4 | 76 | 25 | 9,1 | 1610 | A | - | - | 9,0 | 25,5 | 1610 | C |
| 22 | 111,55 | 118,0 | 76 | 25 | 9,1 | 1610 | A | - | - | 9,0 | 25,5 | 1610 | C |
| 23 | 116,58 | 123,4 | 76 | 25 | 9,1 | 1610 | A | - | - | 9,0 | 25,5 | 1610 | C |
| 24 | 121,62 | 128,3 | 90 | 32 | 9,1 | 2012 | A | 90 | 32 | 9,0 | 25,5 | 2012 | B |
| 25 | 126,66 | 134,0 | 90 | 32 | 9,1 | 2012 | A | 90 | 32 | 9,0 | 25,5 | 2012 | B |
| 26 | 131,70 | 139,0 | 90 | 32 | 9,1 | 2012 | A | 90 | 32 | 9,0 | 25,5 | 2012 | B |
| 27 | 136,75 | 144,0 | 90 | 32 | 9,1 | 2012 | A | 90 | 32 | 9,0 | 25,5 | 2012 | B |
| 28 | 141,78 | 148,7 | 90 | 32 | 9,1 | 2012 | A | 90 | 32 | 9,0 | 25,5 | 2012 | B |
| 30 | 151,87 | 158,8 | 90 | 32 | 9,1 | 2012 | A | 90 | 32 | 9,0 | 25,5 | 2012 | B |
| 38 | 192,24 | 199,2 | 102 | 32 | 9,1 | 2012 | A | 108 | 45 | 9,0 | 25,5 | 2517 | B |
| 45 | 227,58 | 235,0 | 111 | 32 | 9,1 | 2012 | A | ||||||
| 57 | 288,18 | 296,0 | 100 | 32 | 9,1 | 2012 | A | ||||||
| 76 | 384,16 | 392,1 | 100 | 32 | 9,1 | 2012 | A | ||||||
| 95 | 480,14 | 488,5 | 110 | 45 | 9,1 | 2517 | A | ||||||
| 114 | 576,13 | 584,1 | 110 | 45 | 9,1 | 2517 | A | ||||||
Material: C45
Weitere Zähnezahlen auf Anfrage.
Kettenräder mit gehärteten Zähnen auf Anfrage.
Kettenräder mit zahnkranzseitiger Buchseneinführung auf Anfrage.
Triplex- Kettenräder auf Anfrage.
Kettenräder mit Taper-Spannbuchse zu Rollenkette
Type A

Type B

Type C

| Simplex | Duplex | ||||||||||||
| Z | d0 | de | N | L1 | B1 | Buchse | Type | N | L2 | B1 | B2 | Buchse | Type |
| 13 | 79,59 | 87,5 | 63 | 25 | 11,1 | 1210 | A | ||||||
| 14 | 85,61 | 93,6 | 71 | 25 | 11,1 | 1610 | A | - | - | 10,8 | 30,3 | 1610 | C |
| 15 | 91,63 | 99,8 | 71 | 25 | 11,1 | 1610 | A | - | - | 10,8 | 30,3 | 1610 | C |
| 16 | 97,65 | 105,5 | 75 | 25 | 11,1 | 1610 | A | - | - | 10,8 | 30,3 | 1610 | C |
| 17 | 103,67 | 111,5 | 76 | 25 | 11,1 | 1610 | A | - | - | 10,8 | 30,3 | 1610 | C |
| 18 | 109,71 | 118,0 | 90 | 32 | 11,1 | 2012 | A | 89 | 32 | 10,8 | 30,3 | 2012 | B |
| 19 | 115,75 | 124,2 | 90 | 32 | 11,1 | 2012 | A | 95 | 32 | 10,8 | 30,3 | 2012 | B |
| 20 | 121,78 | 129,7 | 90 | 32 | 11,1 | 2012 | A | 108 | 45 | 10,8 | 30,3 | 2517 | B |
| 21 | 127,82 | 136,0 | 102 | 45 | 11,1 | 2517 | A | 108 | 45 | 10,8 | 30,3 | 2517 | B |
| 22 | 133,86 | 141,8 | 102 | 45 | 11,1 | 2517 | A | 108 | 45 | 10,8 | 30,3 | 2517 | B |
| 23 | 139,90 | 149,0 | 108 | 45 | 11,1 | 2517 | A | 108 | 45 | 10,8 | 30,3 | 2517 | B |
| 24 | 145,94 | 153,9 | 108 | 45 | 11,1 | 2517 | A | 108 | 45 | 10,8 | 30,3 | 2517 | B |
| 25 | 152,00 | 160,0 | 108 | 45 | 11,1 | 2517 | A | 108 | 45 | 10,8 | 30,3 | 2517 | B |
| 26 | 158,04 | 165,9 | 108 | 45 | 11,1 | 2517 | A | 108 | 45 | 10,8 | 30,3 | 2517 | B |
| 27 | 164,09 | 172,3 | 108 | 45 | 11,1 | 2517 | A | 108 | 45 | 10,8 | 30,3 | 2517 | B |
| 28 | 170,13 | 178,0 | 108 | 45 | 11,1 | 2517 | A | 108 | 45 | 10,8 | 30,3 | 2517 | B |
| 30 | 182,25 | 190,5 | 108 | 45 | 11,1 | 2517 | A | 108 | 45 | 10,8 | 30,3 | 2517 | B |
| 38 | 230,69 | 239,0 | 124 | 45 | 11,1 | 2517 | A | 152 | 51 | 10,8 | 30,3 | 3020 | B |
| 45 | 273,10 | 282,5 | 124 | 45 | 11,1 | 2517 | A | 140 | 51 | 10,8 | 30,3 | 3020 | B |
| 57 | 345,81 | 355,4 | 108 | 45 | 11,1 | 2517 | A | 140 | 51 | 10,8 | 30,3 | 3020 | B |
| 76 | 460,99 | 469,9 | 108 | 45 | 11,1 | 2517 | A | 140 | 51 | 10,8 | 30,3 | 3020 | B |
| 95 | 576,17 | 585,1 | 108 | 45 | 11,1 | 2517 | A | 140 | 51 | 10,8 | 30,3 | 3020 | B |
| 114 | 691,36 | 700,6 | 108 | 64 | 11,1 | 2525 | A | ||||||
Material: C45
Weitere Zähnezahlen auf Anfrage.
Kettenräder mit gehärteten Zähnen auf Anfrage.
Kettenräder mit zahnkranzseitiger Buchseneinführung auf Anfrage.
Triplex- Kettenräder auf Anfrage.
Kettenräder für Taper-Spannbuchse zu Rollenkette
Type A

Type B

Type C

| Simplex | Duplex | ||||||||||||
| Z | d0 | de | N | L1 | B1 | Buchse | Type | N | L2 | B1 | B2 | Buchse | Type |
| 13 | 106,12 | 117,0 | 73 | 25 | 16,2 | 1610 | A | - | - | 15,8 | 47,7 | 2012 | C |
| 14 | 114,15 | 125,0 | 76 | 25 | 16,2 | 1610 | A | 15,8 | 47,7 | ||||
| 15 | 122,17 | 133,0 | 76 | 25 | 16,2 | 1610 | A | - | - | 15,8 | 47,7 | 2012 | C |
| 16 | 130,20 | 141,0 | 90 | 32 | 16,2 | 2012 | A | 15,8 | 47,7 | ||||
| 17 | 138,22 | 149,0 | 90 | 32 | 16,2 | 2012 | A | - | - | 15,8 | 47,7 | 2517 | C |
| 18 | 146,28 | 157,0 | 108 | 45 | 16,2 | 2517 | A | 15,8 | 47,7 | ||||
| 19 | 154,33 | 165,2 | 108 | 45 | 16,2 | 2517 | A | - | - | 15,8 | 47,7 | 2517 | C |
| 20 | 162,38 | 173,2 | 108 | 45 | 16,2 | 2517 | A | 15,8 | 47,7 | ||||
| 21 | 170,43 | 181,2 | 110 | 45 | 16,2 | 2517 | A | 140 | 51 | 15,8 | 47,7 | 3020 | B |
| 22 | 178,48 | 189,3 | 110 | 45 | 16,2 | 2517 | A | 15,8 | 47,7 | ||||
| 23 | 186,54 | 197,5 | 110 | 45 | 16,2 | 2517 | A | 140 | 51 | 15,8 | 47,7 | 3020 | B |
| 24 | 194,59 | 205,5 | 110 | 45 | 16,2 | 2517 | A | 15,8 | 47,7 | ||||
| 25 | 202,66 | 213,5 | 110 | 45 | 16,2 | 2517 | A | 140 | 51 | 15,8 | 47,7 | 3020 | B |
| 26 | 210,72 | 221,6 | 110 | 45 | 16,2 | 2517 | A | 15,8 | 47,7 | ||||
| 27 | 218,79 | 229,6 | 110 | 45 | 16,2 | 2517 | A | 140 | 51 | 15,8 | 47,7 | 3020 | B |
| 28 | 226,85 | 237,7 | 110 | 45 | 16,2 | 2517 | A | 15,8 | 47,7 | ||||
| 30 | 243,00 | 254,0 | 140 | 51 | 16,2 | 3020 | A | 140 | 51 | 15,8 | 47,7 | 3020 | B |
| 38 | 307,59 | 320,7 | 140 | 51 | 16,2 | 3020 | A | 140 | 51 | 15,8 | 47,7 | 3020 | B |
| 45 | 364,13 | 377,1 | 140 | 51 | 16,2 | 3020 | A | 140 | 51 | 15,8 | 47,7 | 3020 | B |
| 57 | 461,07 | 474,0 | 140 | 51 | 16,2 | 3020 | A | 175 | 65 | 15,8 | 47,7 | 3525 | B |
| 76 | 614,65 | 627,0 | 140 | 51 | 16,2 | 3020 | A | 175 | 65 | 15,8 | 47,7 | 3525 | B |
| 95 | 768,22 | 781,1 | 140 | 51 | 16,2 | 3020 | A | 215 | 65 | 15,8 | 47,7 | 3525 | B |
| 114 | 921,81 | 934,3 | 140 | 76 | 16,2 | 3030 | A | 215 | 102 | 15,8 | 47,7 | 4040 | B |
Material: C45
Weitere Zähnezahlen auf Anfrage.
Kettenräder mit gehärteten Zähnen auf Anfrage.
Kettenräder mit zahnkranzseitiger Buchseneinführung auf Anfrage.
Triplex- Kettenräder auf Anfrage.
Kettenräder für Taper-Spannbuchse zu Rollenkette
Type A

Type B

Type C

| Simplex | Duplex | ||||||||||||
| Z | d0 | de | N | L1 | B1 | Buchse | Type | N | L2 | B1 | B2 | Buchse | Type |
| 13 | 132,65 | 147,8 | 90 | 32 | 18,5 | 2012 | A | - | - | 18,2 | 54,6 | 2517 | C |
| 14 | 142,68 | 157,8 | 90 | 32 | 18,5 | 2012 | A | ||||||
| 15 | 152,72 | 167,9 | 108 | 45 | 18,5 | 2517 | A | - | - | 18,2 | 54,6 | 2517 | C |
| 16 | 162,75 | 177,9 | 108 | 45 | 18,5 | 2517 | A | ||||||
| 17 | 172,78 | 187,9 | 108 | 45 | 18,5 | 2517 | A | - | - | 18,2 | 54,6 | 2517 | C |
| 18 | 182,85 | 198,0 | 108 | 45 | 18,5 | 2517 | A | ||||||
| 19 | 192,91 | 208,1 | 108 | 45 | 18,5 | 2517 | A | 140 | 76 | 18,2 | 54,6 | 3030 | B |
| 20 | 202,98 | 218,1 | 108 | 45 | 18,5 | 2517 | A | ||||||
| 21 | 213,04 | 228,2 | 108 | 45 | 18,5 | 2517 | A | 140 | 76 | 18,2 | 54,6 | 3030 | B |
| 22 | 223,11 | 238,3 | 108 | 45 | 18,5 | 2517 | A | ||||||
| 23 | 233,17 | 248,3 | 108 | 45 | 18,5 | 2517 | A | 140 | 76 | 18,2 | 54,6 | 3030 | B |
| 24 | 243,23 | 258,4 | 108 | 45 | 18,5 | 2517 | A | ||||||
| 25 | 253,33 | 268,5 | 108 | 45 | 18,5 | 2517 | A | 140 | 76 | 18,2 | 54,6 | 3030 | B |
| 27 | 273,49 | 288,6 | 150 | 51 | 18,5 | 3020 | A | ||||||
| 30 | 303,75 | 318,9 | 150 | 51 | 18,5 | 3020 | A | 160 | 76 | 18,2 | 54,6 | 3030 | B |
| 38 | 384,49 | 399,6 | 160 | 51 | 18,5 | 3020 | A | ||||||
| 45 | 455,17 | 470,3 | 160 | 51 | 18,5 | 3020 | A | ||||||
| 57 | 576,36 | 591,5 | 160 | 51 | 18,5 | 3020 | A | ||||||
| 76 | 768,32 | 783,5 | 160 | 51 | 18,5 | 3020 | A | ||||||
Material: C45
Weitere Zähnezahlen auf Anfrage.
Kettenräder mit gehärteten Zähnen auf Anfrage.
Kettenräder mit zahnkranzseitiger Buchseneinführung auf Anfrage.
Triplex- Kettenräder auf Anfrage.
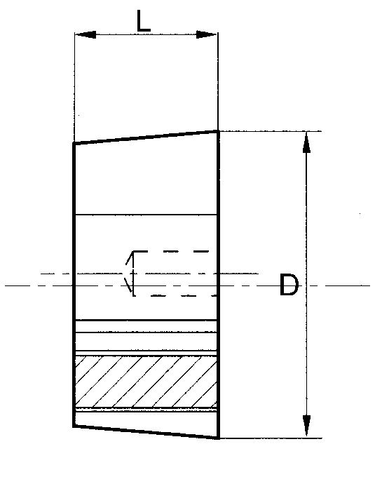
Taper-Spannbuchsen


Type A

Type B

| Buchse | Type | Bohrungen | L | D | Schrauben | |||||||||||||||||||
| 1008 | A | 8 | 9 | 10 | 11 | 12 | 14 | 15 | 16 | 17 | 18 | 19 | 20 | 22 | 24* | 25* | 22 | 35,0 | 1⁄4”x1⁄2” | |||||
| 1108 | A | 9 | 10 | 11 | 12 | 14 | 15 | 16 | 17 | 18 | 19 | 20 | 22 | 24 | 25 | 28* | 22 | 38,0 | 1⁄4”x1⁄2” | |||||
| 1210 | A | 11 | 12 | 14 | 15 | 16 | 17 | 18 | 19 | 20 | 22 | 24 | 25 | 28 | 30 | 32 | 25 | 47,5 | 3⁄8”x5⁄8” | |||||
| 1215 | A | 11 | 12 | 14 | 15 | 16 | 17 | 18 | 19 | 20 | 22 | 24 | 25 | 28 | 30 | 32 | 38 | 47,5 | 3⁄8”x5⁄8” | |||||
| 1310 | A | 12 | 14 | 15 | 16 | 17 | 18 | 19 | 20 | 22 | 24 | 25 | 28 | 30 | 32 | 35* | 25 | 50,5 | 3⁄8”x5⁄8” | |||||
| 1610 | A | 12 | 14 | 15 | 16 | 17 | 18 | 19 | 20 | 22 | 24 | 25 | 28 | 30 | 32 | 35 | 38 | 40 | 42* | 25 | 57,0 | 3⁄8”x5⁄8” | ||
| 1615 | A | 12 | 14 | 15 | 16 | 17 | 18 | 19 | 20 | 22 | 24 | 25 | 28 | 30 | 32 | 35 | 38 | 40 | 42* | 38 | 57,0 | 3⁄8”x5⁄8” | ||
| 2012 | A | 14 | 15 | 16 | 17 | 18 | 19 | 20 | 22 | 24 | 25 | 28 | 30 | 32 | 35 | 38 | 40 | 42 | 45 | 48 | 50 | 32 | 70,0 | 7⁄16”x7⁄8” |
| 2517 | A | 16 | 18 | 19 | 20 | 22 | 24 | 25 | 28 | 30 | 32 | 35 | 38 | 40 | 42 | 45 | 48 | 50 | 55 | 60 | 65* | 45 | 85,5 | 1⁄2”x1” |
| 2525 | A | 19 | 20 | 22 | 24 | 25 | 28 | 30 | 32 | 35 | 38 | 40 | 42 | 45 | 48 | 50 | 55 | 60 | 65 | 63 | 85,5 | 1⁄2”x1” | ||
| 3020 | A | 20 | 25 | 28 | 30 | 32 | 35 | 38 | 40 | 42 | 45 | 48 | 50 | 55 | 60 | 65 | 70 | 75 | 51 | 108,0 | 5⁄8”x1 1/4" | |||
| 3030 | A | 25 | 28 | 30 | 32 | 35 | 38 | 40 | 42 | 45 | 48 | 50 | 55 | 60 | 65 | 70 | 75 | 76 | 108,0 | 5⁄8”x1 1/4" | ||||
| 3525 | B | 28 | 30 | 32 | 35 | 38 | 40 | 42 | 45 | 48 | 50 | 55 | 60 | 65 | 70 | 75 | 80 | 85 | 90 | 65 | 127,0 | 1⁄2”x1 1/2" | ||
| 3535 | B | 28 | 30 | 32 | 35 | 38 | 40 | 42 | 45 | 48 | 50 | 55 | 60 | 65 | 70 | 75 | 80 | 85 | 90 | 95 | 89 | 127,0 | 1⁄2”x1 1/2" | |
| 4040 | B | 35 | 40 | 42 | 45 | 48 | 50 | 55 | 60 | 65 | 70 | 75 | 80 | 85 | 90 | 95 | 100 | 102 | 146,0 | 5⁄8”x1 3/4" | ||||
| 4545 | B | 35 | 55 | 60 | 65 | 70 | 75 | 80 | 85 | 90 | 95 | 100 | 105 | 110 | 115 | 162,0 | 3⁄4”x2” | |||||||
| 5050 | B | 50 | 65 | 70 | 75 | 80 | 85 | 90 | 95 | 100 | 105 | 110 | 115 | 120 | 125 | 127 | 177,6 | 7⁄8”x2 1/4" | ||||||
* mit flacher Passfedernut JS9
Material: Grauguss EN-GJL-200
Bohrungen in mm, ISO G7
Passfedernuten nach DIN 6885
Taper-Spannbuchsen mit Zoll-Bohrung auf Anfrage.
Montageanleitung für Taper-Spannbuchsen
Einbau
Alle blanken Oberflächen an Rad, Buchse und Welle reinigen.
Spannbuchse in die Nabe einsetzen und alle Bohrungen zur Deckung bringen. (Halbe Gewindebohrungen müssen halben glatten Bohrungen gegenüberstehen).
Schrauben leicht einölen und eindrehen.
Rad mit Spannbuchse in die gewünschte Lage auf die Welle schieben und mittels Sechskant-Stiftschlüssel DIN 911 die Innensechskantschrauben gleichmässig anziehen.
Nach kurzer Betriebszeit Anzugsmoment überprüfen.
Ausbau
Alle Schrauben lösen und je nach Buchsengrösse ein oder zwei Schrauben gleichmässig in Abdrückbohrungen einschrauben bis sich die Spannbuchse löst.